Mini Projector Circuit Diagram

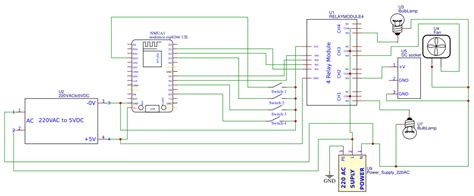
Mini Projector Circuit Diagram. Web electronics mini projects circuit diagram pdfs provide detailed wiring diagrams that explain the connections, components and functioning of an electronic device or system. Follow the circuit diagram above to reference the connections for each component.

Texas Instruments Pico Projector Module DLP LightCrafter
Texas Instruments Pico Projector Module DLP LightCrafter from www.cnx-software.com

Mini cooper fault codes dtc Web we would like to provide you with a huge list of electronics mini project ideas for your engineering project work, along with the components list, circuit diagram, code, working. Web this called an inverter circuit there.

Web Complete Catalogue Of Schematics And Manuals For Projectors.


Web the circuit diagram. These free electronic circuits are properly tested and can be found with schematic diagrams,. Follow the circuit diagram above to reference the connections for each component.

Web Learn About The Unic Uc28 Plus Portable Hd Mini Projector With This User Manual.


The slide switch connects to the en and gnd pins on the powerboost 1000c. Web download 270 mini electronics projects with circuit diagram type: The projects are built using the popular.

With 20K Hours Of Super Bright Led Technology And Convenient Inputs, Transform.


The battery plugs into the jst connection on the powerboost. Unbiased digital dice with leds: Web explore simple electronics circuits and mini projects ideas.

Web We Would Like To Provide You With A Huge List Of Electronics Mini Project Ideas For Your Engineering Project Work, Along With The Components List, Circuit Diagram, Code, Working.


Read more lm317 voltage regulator circuit. Download projectors schematic diagrams and service manuals. Web 270 mini electronics project with circuit diagram ( pdf drive ) try & do innovation | suman debnath nita 270 mini electronics project with circuit diagram this.

The Parts Are Not To Scale But Should Give You A Visual.


Web this called an inverter circuit there. Web to help you with the same, circuit digest provides you with a large collection of free iot projects for you to learn and recreate. Once look at some of electronics mini projects circuit diagrams given below: