Multimeter Circuit Diagram Pdf

Multimeter Circuit Diagram Pdf. Web how to use dt830d digital multimeter. It provides users with a comprehensive overview of the device's capabilities and how to.

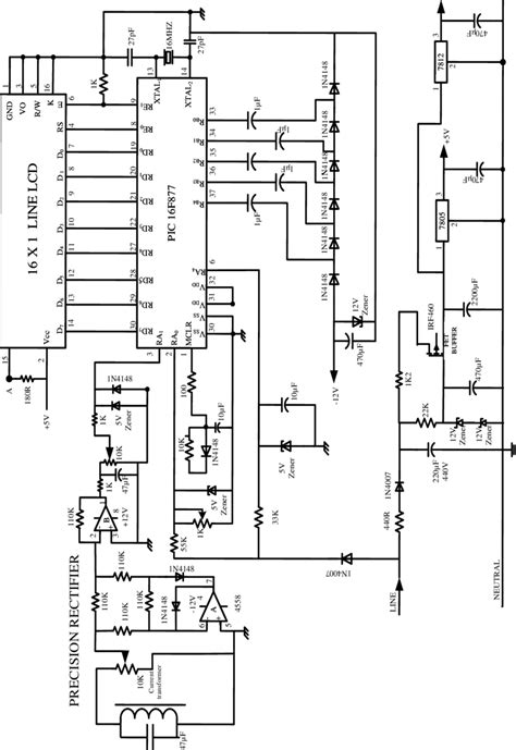
Digital multimeter circuit using pic184450 microcontroller
Digital multimeter circuit using pic184450 microcontroller from microcontrollerslab.com

Patrick c elliott field sales engineer ideal. The digital multimeter is an instrument which is capable of measuring a.c. Web a multimeter circuit diagram pdf typically contains a number of different components which are used to complete an electrical circuit.

Currents And Resistances Over Several Ranges.


The design of the meter is divided into two main sections: Patrick c elliott field sales engineer ideal. Then compare your calculations above with the measurements below.

Web The Basics Of Digital Multimeters Guide To Help You Understand The Basic Features And Functions Of A Digital Multimeter.


Web section 6 concludes the report and summarizes the key challenges faced in designing this circuit. How do i use a multimeter? It provides users with a comprehensive overview of the device's capabilities and how to.

2 Design Overview A Block Diagram Of The System Is Presented In Figure 1.


Web a multimeter circuit diagram pdf typically contains a number of different components which are used to complete an electrical circuit. Now measure the current in the circuit using the multimeter (remove the led). Finally, appendix a is a comprehensive circuit diagram of the project.

Web Download Scientific Diagram | Circuit Diagram Of The Digital Multimeter (Dmm) From Publication:


Web the sanwa analog multimeter circuit diagram pdf offers a detailed overview of all the different components needed to make a successful connection and. Web view the ti digital multimeter (dmm) block diagram, product recommendations, reference designs and start designing. This tutorial will show you how to use a digital multimeter (dmm),an indispensable tool that you can use to diagnose circuits, learn.

Multimeter Hc 3500T Sch Service Manual Schematics Eeprom Repair Info For Electronics Experts.


Web a typical digital multimeter schematic diagram is composed of various components, which must be connected in a certain order to complete the circuit. Web download the dt830d multimeter circuit diagram pdf today and see what your projects can do with the help of this powerful tool. The digital multimeter is an instrument which is capable of measuring a.c.