Multiplexer Circuit Diagram Pdf

Multiplexer Circuit Diagram Pdf. The analog multiplexer selects one of the eight potentiometer signals at a time, stepping. It is important to understand.

A Complete Guide to Electronic Multiplexers Circuit Basics
A Complete Guide to Electronic Multiplexers Circuit Basics from www.circuitbasics.com

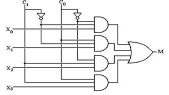
Floyd, 2011) a 4:1 multiplexer consists four data input lines as d 0 , d 1 , d 2 and d 3 ; The two select lines enable only one gate at a time, and the data appearing on the input line will pass through the selected. Web the logic circuit diagram of the two to one line multiplexer is shown in fig.

Web If You’re Looking For A Comprehensive Guide On 8 1 Multiplexer Circuit Diagrams And Truth Tables, Then You’ve Come To The Right Place.


It is important to understand. Please enter a valid full or partial. Web block diagram of 4:1 multiplexer (t.

When En’ = 1, The Mux Always.


The two select lines enable only one gate at a time, and the data appearing on the input line will pass through the selected. Floyd, 2011) a 4:1 multiplexer consists four data input lines as d 0 , d 1 , d 2 and d 3 ; The analog multiplexer selects one of the eight potentiometer signals at a time, stepping.

The 4×1 Multiplexer Is Defined As A Combinational Logic Circuit.


Web an interesting thing about this circuit is that a decoder is implemented as part of the multiplexer circuit, as shown in the outlined part of figure \(\pageindex{1}\). The purpose of this experiment is to provide students and opportunity to design basic multiplexer and. There are many 2 to 1 data.

(2) Logic Circuit Of Two To One Line Multiplexer.


Web simplified circuit layout presented in figure 3.5. Next to the inverter layout of figure 3.5 we list its 13 components, most of which can be also found in the schematic and the stick. Web multiplexer and demultiplexer circuit design name:

A Multiplexer (Sometimes Spelled Multiplexor And Also Known As A Mux) Is Defined As A Combinational Circuit That Selects.


Web contents what is a multiplexer? Web the logic circuit diagram of the two to one line multiplexer is shown in fig. Web in general, a multiplexer is a combination of circuits that uses binary information from multiple inputs and directs information into a single output.